Выключатель автоматический дифференциального тока АВДТ32МL C25 30мА Karat IEK (2Р, 25 А, 6 кА)
Автоматические выключатели дифференциального тока со встроенной защитой от сверхтоков в одномодульном корпусе типа АВДТ32МL серии Karat предназначены для эксплуатации в однофазных электрических сетях переменного тока напряжением до 230 В частотой 50 Гц.

Применение
- Распределительные, учетно-распределительные щиты жилых и общественных зданий.
- Щиты квартирные.
- Устройства временного электроснабжения строительных площадок.
- Садовые дома.
- Гаражи.
- Объекты розничной торговли.
Преимущества
- Компактное исполнение.
- Высокая предельная коммутационная способность 6000 А.
- Специально разработанная схема подключения тестирующей цепи.
- Удобный монтаж / демонтаж.
- Возможность подключения нагрузки как сверху, так и снизу.
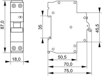
Размеры

Особенности конструкции
|  | Насечки на контактных зажимах снижают тепловые потери и увеличивают механическую устойчивость соединения. |  | Кнопка "Тест" для проверки работоспособности устройства и правильности подключения. | 
|  | Боковые ребра для лучшего охлаждения корпуса. |  | Быстрый монтаж / демонтаж и дополнительная надежность крепления на DIN-рейке. | 
Функциональные возможности
- Обнаружение дифференциального тока.
- Сравнение дифференциального тока со значением дифференциального тока срабатывания и отключения защищаемой цепи в случае, когда дифференциальный ток превосходит это значение.
- Автоматическое отключение электроустановки при появлении сверхтоков.
- Защита человека от поражения электрическим током в случае прямого прикосновения к токоведущим частям электроустановок.
- Защита людей при косвенном контакте с доступными проводящими частями электроустановок при повреждении изоляции.
- Защита от пожаров, возникающих из-за утечек дифференциального (остаточного) тока на землю при повреждении изоляции токоведущих частей.
- Защита от сверхтоков (перегрузки и короткого замыкания), возникающих в электроустановках зданий.
Технические характеристики
| Артикул | MVD12-1-025-C-030 | 
| Тип изделия | автоматический выключатель дифференциального тока со встроенной защитой от сверхтоков | 
| Количество полюсов | 1P+N | 
| Наличие защиты от сверхтоков в полюсах | в фазном полюсе | 
| Количество модулей | 1 | 
| Номинальное рабочее напряжение Ue, В | 230 | 
| Номинальная частота сети, Гц | 50 | 
| Тип тока утечки | переменный (АС) | 
| Номинальное импульсное выдерживаемое напряжение Uimp, В | 4000 | 
| Номинальный ток In, А | 25 | 
| Номинальный отключающий дифференциальный ток (уставка) I?n, мА | 30 | 
| Номинальный неотключающий дифференциальный ток, мА | 0,5I?n | 
| Наибольшая отключающая способность Icn, А | 6000 | 
| Номинальная дифференциальная наибольшая включающая и отключающая способность I?m, А | 500 | 
| Тип расцепителя | тепловой, электромагнитный | 
| Характеристика срабатывания от сверхтоков | С | 
| Рабочий режим | продолжительный | 
| Механическая износостойкость, циклов В-О | ?15000 | 
| Электрическая износостойкость, циклов В-О | ?6000 | 
| Рабочее положение в пространстве | вертикальное или горизонтальное с возможным отклонением в любую сторону до 30° | 
| Тип монтажа | на DIN-рейку | 
| Тип подключения | винтовое соединение | 
| Максимальное сечение входящего кабеля, кв.мм | 6 | 
| Диапазон рабочих температур, °C | -25... +40 | 
| Относительная влажность, % | 50* при +40 °C | 
| Степень защиты от пыли и влаги | IP20 | 
| Климатическое исполнение и категория размещения | УХЛ4 (ГОСТ 15150) | 
| Вес изделия, кг | 0,13 | 
| Срок службы, лет | 15 | 
* Допускается использование АВДТ при относительной влажности 90 % и температуре +25 °C.
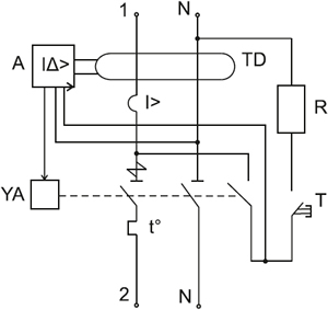
Схема электрическая принципиальная

Преимущества
- Доставка по всей России
- Более 200 000 товаров в ассортименте
- Профессиональная консультация
- Кабель БЕЗ опасности
- Качество по ГОСТу
| 
										Бренд
																			 | IEK | 
| 
										СрокГарантии, мес
																			 | 18 | 
| 
										Количество полюсов
																			 | 2 | 
| 
										Марка изделия
																			 | АВДТ32МL 1 мод | 
| 
										Модульная ширина (общее кол-во модульных расстояний)
																			 | 1 | 
| 
										Номинальное напряжение, В
																			 | 220 | 
| 
										Номинальная отключающая способность, кА
																			 | 6 | 
| 
										Номинальный ток утечки, мА
																			 | 30 | 
| 
										Номинальный ток, А
																			 | 25 | 
| 
										Тип тока утечки
																			 | AC | 
- 
		Зайдите на страницу товара и нажмите на кнопку «В корзину».
		Далее можно продолжить покупки или перейти к оформлению заказа. 
- 
		Перейдите в Корзину и нажмите «Перейти к оформлению».
		Можно авторизоваться или оформить заказ без регистрации. Зарегистрированные пользователи могут: - Отслеживать статус заказа
- Получать спецпредложения и промокоды на дополнительные скидки
 
- Укажите Ваши контакты: ФИО, телефон и e-mail.
- Выберите способ получения заказа (доставка или пункт самовывоза) и способ оплаты.
- Далее «Оформить заказ».
Готово: ваш заказ создан! По электронной почте или в личном кабинете Вы можете отслеживать статус заказа.
Теперь останется только ждать доставки и радоваться новой покупке!
Оплачивайте покупки удобным способом.
В нашем интернет-магазине доступно 3 варианта оплаты:
- Оплата наличными или картой при самовывозе в пункте выдачи заказов/магазине.
- Онлайн-оплата на сайте при оформлении заказа. Для совершения покупки система перенаправит вас на страницу платежного сервиса. Здесь необходимо заполнить форму по инструкции.
- Оплата по счету для юридических лиц. Оплата происходит после предоставления реквизитов для выставления счета. Покупатель получает счет на указанный e-mail.
Доступно 3 варианта доставки:
- Самовывоз из магазина. Список торговых точек для выбора появится в корзине. Для получения заказа обратитесь к сотруднику в кассовой зоне и назовите номер заказа.
- Доставка транспортной компанией СДЭК или Почтой РФ в отделение или постамат.
По всем возникающим вопросам можете позвонить нам на горячую линию:
Ежедневно с 8:00 до 20:00 по МСК
E-mail: help@kristall43.ru
Адрес: 610000, г. Киров, ул. Щорса, 68г, кабинет 3
 
																																	 
																																									 
																																									 
																																									 
																																	 
																																									 
																																									 
																																									 
																																									 
																																									 
																																	 
																																									 
																																									 
																																									 
																																									 
																																	 
																																									 
																																									 
																																									 
																																									 
																																									 
																																	 
																																									 
																																									 
																																									 
																																									 
																																									 
																																									 
																																									 
																																									 
																																									 
																																									 
																																	 
																																	 
																																									 
																																									 
																																									 
																																									 
																																									 
																																									 
																																	 
																																									 
																																	 
																																									 
																																	 
																																	 
																																									 
																																									 
																																									 
																																									 
																																									 
																																									 
																																	 
																																									 
																																									 
																																									 
																																									 
																																									 
																																									 
																																									 
																																									 
																																									 
																																									 
																																									 
																																	 
																																									 
																																									 
																																									 
																																									 
																																									 
																																									 
																																	 
																																									 
																																	 
																																									 
																																									 
																																									 
																																									 
																																	 
																																									 
																																									 
																																	 
																																									 
																																	 
																																									 
																																									 
																																									 
																																									 
																																									 
																																									 
																																									 
																																									 
																																	 
																																									 
																																	 
																																									 
																																									 
																																									 
																																									 
																																									 
																																									 
																																	 
																																									 
																																									 
																																									 
																																									 
																																									 
																																									 
																																									 
																																									 
																																									 
																																									 
																																									 
																																									 
																																									 
																																									 
																																	 
																																									 
																																									 
																																	 
																																									 
																																									 
																																	 
																																									 
																																									 
																																	 
																																									 
																																									 
																																	 
																																	 
																																									 
																																									 
																																									 
																																	 
																																									 
																																	 
																																									 
																																	 
																																									 
																																									 
																																									 
																																	 
																																									 
																																	 
																																									 
																																									 
																																									 
																																	 
																																									 
																																									 
																																	 
																																									 
																																									 
																																									 
																																									 
																																									 
																																									 
																																									 
																																	 
																																									 
																																									 
																																									 
																																									 
																																									 
																																									 
																																									 
																																									 
																																	 
																																									 
																																									 
																																									 
																																									 
																																									 
																																									 
																																									 
																																	 
																																	 
																																									 
																																									 
																																									 
																																									 
																																	 
																																									 
																																	 
																																									 
																																									 
																																									 
																																	 
																																	 
																																	 
																																	 
																																	 
																																									 
																																									 
																																									 
																																									 
																																									 
																																									 
																																									 
																																									 
																																	 
																																	 
																																									 
																																									 
																																	 
																																									 
																																	 
																																									 
																																	 
																																									 
																																									 
																																									 
																																									 
																																									 
																																									 
																																									 
																																									 
																																									 
																																									 
																																									 
																																									 
																																	 
																																									 
																																									 
																																									 
																																									 
																																									 
																																									 
																																									 
																																	 
																																									 
																																									 
																																									 
																																	 
																																									 
																																									 
																																									 
																																	 
																																									 
																																	 
																																									 
																																									 
																																	 
																																									 
																																									 
																																									 
																																									 
																																									 
																																									 
																																									 
																																									 
																																									 
																																									 
																																									 
																																									 
																																	 
																																									 
																																	 
																																									 
																																									 
																																									 
																																									 
																																									 
																																	 
																																									 
																																									 
																																									 
																																	 
																																									 
																																									 
																																									 
																																	 
																																									 
																																	 
																																									 
																																									 
																																									 
																																	 
																																									 
																																									 
																																									 
																																									 
																																									 
																																									 
																																									 
																																									 
																																	 
																																									 
																																									 
																																									 
																																									 
																																									 
																																									 
																																	 
																																									 
																																	 
																																									 
																																									 
																																									 
																																	 
																																									 
																																									 
																																									 
																																	 
																																									 
																																									 
																																									 
																																									 
																																									 
																																	 
																																									 
																																									 
																																									 
																																									 
																																	 
																																									 
																																									 
																																									 
																																									 
																																									 
																																									 
																																	 
																																									 
																																									 
																																									 
																																									 
																																									 
																																	 
																																									 
																																	 
																																									 
																																									 
																																									 
																																									 
																																									 
																																									 
																																									 
																																									 
																																									 
																																									 
																																									 
																																	 
																																									 
																																									 
																																	 
																																									 
																																									 
																																									 
																																									 
																																	 
																																									 
																																	 
																																	 
																																									 
																																									 
																																									 
																																									 
																																									 
																																									 
																																									 
																																									 
																																	 
																																									 
																																									 
																																									 
																																									 
																																									 
																																									 
																																	 
																																	 
																																									 
																																	 
																																	 
																																									 
																																									 
																																									 
																																									 
																																									 
																																									 
																																	 
																																	 
																																									 
																																									 
																																									 
																																									 
																																	 
																																									 
																																									 
																																	 
																																									 
																																									 
																																									 
																																									 
																																									 
																																	 
																																									 
																																									 
																																	 
																																									 
																																									 
																																									 
																																									 
																																									 
																																	 
																																									 
																																									 
																																	 
																																									 
																																									 
																																									 
																																	 
																																									 
																																	 
																																									 
																																									 
																																									 
																																									 
																																									 
																																									 
																																									 
																																									 
					 
                         
                                                                         
                                                                         
                                                                         
                                                                         
                                                                         
                                                                         
                                                                        