Автоматический выключатель дифференциального тока АД12 2Р 50А 100мА IEK (характеристика расцепления C, 4,5 кА)
Выключатели автоматические АД12, управляемые дифференциальным током, со встроенной защитой от сверхтоков, функционально зависящие от напряжения сети бытового и аналогичного применения, предназначены для эксплуатации в однофазных электрических сетях переменного тока напряжением 230 В частотой 50 Гц.
Дифафтоматы АД12 - это комбинированная схема с электронным модулем дифференциальной защиты и встроенным выключателем серии ВА47-29.
АД12 с уставкой срабатывания 100 мА обеспечивают:
- защиту людей от поражения электрическим током при прямом непреднамеренном прикосновении к токоведущим частям электрооборудования;
- защиту от перегрузки и короткого замыкания.
Преимущества
- Выполняют функции защиты от поражения электрическим током и защиты от сверхтоков.
- Защита от сверхтоков в каждом полюсе.
- Насечки на контактных зажимах снижают тепловые потери и увеличивают механическую прочность соединения.
- Эргономичная кнопка "Тест" для проверки работоспособности.
- Быстрый монтаж / демонтаж без использования инструментов.
- Расширенный диапазон рабочих температур.
Размеры

Особенности конструкции
![]() |
Усовершенствованная дугогасительная система. | ![]() |
Возможность одновременного присоединения шиной Fork и гибким проводником для распределения питания цепи через верхние зажимы, а также возможность соединения шиной PIN. |
![]() |
Напайка из серебросодержащего композита повышает износостойкость контактной группы и снижает переходное сопротивление. | ![]() |
Компактная энергоэффективная конструкция: за счет использования дифференциального блока меньших габаритов экономится место в щитовом оборудовании. |
![]() |
Увеличенная прочность в зоне присоединения проводников за счет двух дополнительных заклепок и монолитной лицевой панели. | ![]() |
Новая конструкция АД12 позволяет присоединять дополнительные устройства КС47, КСВ47 безвинтовым способом. |
![]() |
Наличие индикатора положения контактов. Наличие индикатора срабатывания по диффтоку - кнопки "Возврат". |
![]() |
Удобный монтаж - демонтаж без использования инструментов. |
Технические характеристики
| Артикул | MAD10-2-050-C-100 |
| Тип изделия | автоматический выключатель дифференциального тока |
| Число полюсов | 2 |
| Количество защищенных полюсов | 2 |
| Тип расцепителя | тепловой, электромагнитный |
| Номинальное рабочее напряжение Ue, В | АС 230 |
| Номинальная частота сети, Гц | 50 |
| Номинальное импульсное выдерживаемое напряжение Uimp, В | 4000 |
| Номинальный ток In, А | 50 |
| Максимальное время отключения при любых значениях дифференциального тока, с. | 0,04 |
| Номинальный отключающий дифференциальный ток (уставка) I?n, мА | 100 |
| Номинальный неотключающий дифференциальный ток I?n0, мА | 0,5 I?n |
| Номинальная наибольшая отключающая способность Icn, А | 4500 |
| Номинальная дифференциальная наибольшая включающая и отключающая способность I?m, А | 4500 |
| Рабочая характеристика в случае дифференциального тока с составляющей постоянного тока, тип | АC |
| Характеристика срабатывания от сверхтоков, тип | С |
| Рабочий режим | продолжительный |
| Механическая износостойкость, не менее, циклов В-О | 20000 |
| Электрическая износостойкость, не менее, циклов В-О | 6000 |
| Способ крепления | на DIN-рейку |
| Рабочее положение | вертикальное с возможным отклонением на 90° |
| Способ подключения | винтовое соединение |
| Присоединительная способность контактных зажимов, кв.мм | 2,5 - 25 |
| Возможность присоединения к контактным зажимам соединительных шин со стороны подключения сети | PIN (штырь) / Fork (вилка) |
| Диапазон рабочих температур, °C | -25... +40 |
| Относительная влажность воздуха, % | 50* при +40 °C |
| Степень защиты от пыли и влаги | IP20 (ГОСТ 14254) |
| Вес изделия, кг | 0,26 |
| Срок службы, лет | 15 |
* Допускается эксплуатация при относительной влажности воздуха 90 % и температуре +20 °C.
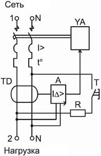
Схема электрическая

Преимущества
- Доставка по всей России
- Более 200 000 товаров в ассортименте
- Профессиональная консультация
- Кабель БЕЗ опасности
- Качество по ГОСТу
|
Бренд
|
IEK |
|
СрокГарантии, мес
|
36 |
|
Количество полюсов
|
2 |
|
Марка изделия
|
АД12 |
|
Модульная ширина (общее кол-во модульных расстояний)
|
3 |
|
Номинальное напряжение, В
|
230 |
|
Номинальная отключающая способность, кА
|
4.5 |
|
Номинальный ток утечки, мА
|
100 |
|
Номинальный ток, А
|
50 |
|
Тип тока утечки
|
AC |
-
Зайдите на страницу товара и нажмите на кнопку «В корзину».
Далее можно продолжить покупки или перейти к оформлению заказа.
-
Перейдите в Корзину и нажмите «Перейти к оформлению».
Можно авторизоваться или оформить заказ без регистрации. Зарегистрированные пользователи могут:
- Отслеживать статус заказа
- Получать спецпредложения и промокоды на дополнительные скидки
- Укажите Ваши контакты: ФИО, телефон и e-mail.
- Выберите способ получения заказа (доставка или пункт самовывоза) и способ оплаты.
- Далее «Оформить заказ».
Готово: ваш заказ создан! По электронной почте или в личном кабинете Вы можете отслеживать статус заказа.
Теперь останется только ждать доставки и радоваться новой покупке!
Оплачивайте покупки удобным способом.
В нашем интернет-магазине доступно 3 варианта оплаты:
- Оплата наличными или картой при самовывозе в пункте выдачи заказов/магазине.
- Онлайн-оплата на сайте при оформлении заказа. Для совершения покупки система перенаправит вас на страницу платежного сервиса. Здесь необходимо заполнить форму по инструкции.
- Оплата по счету для юридических лиц. Оплата происходит после предоставления реквизитов для выставления счета. Покупатель получает счет на указанный e-mail.
Доступно 3 варианта доставки:
- Самовывоз из магазина. Список торговых точек для выбора появится в корзине. Для получения заказа обратитесь к сотруднику в кассовой зоне и назовите номер заказа.
- Доставка транспортной компанией СДЭК или Почтой РФ в отделение или постамат.
По всем возникающим вопросам можете позвонить нам на горячую линию:
Ежедневно с 8:00 до 20:00 по МСК
E-mail: help@kristall43.ru
Адрес: 610000, г. Киров, ул. Щорса, 68г, кабинет 3







