Контактор КМИе-48012 80А 230В/АС3 1НО/1НЗ IEK
Малогабаритные контакторы IEK серии КМИе предназначены для использования в схемах управления электроприводами для пуска, остановки и реверсирования трехфазных асинхронных электродвигателей с короткозамкнутым ротором на напряжение переменного тока до 660 В частоты 50 Гц.
Применяются для управления вентиляторами, насосами, тепловыми завесами, печами, кран-балками, станками, освещением, в системах автоматического ввода резерва (АВР).
По своим конструктивным и техническим характеристикам соответствуют требованиям международных и российских стандартов ГОСТ Р 50030.4.1-2002 (МЭК 60947-4-1-2000).

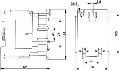
Размеры

Особенности конструкции
![]() |
Магнитная система в рабочем положении обеспечивает оптимальный режим эксплуатации (отсутствие шумов и повышенная надежность контактной системы). | ![]() |
Короткозамкнутые алюминиевые кольца, запрессованные в полюсные наконечники неподвижной части магнитной системы, предусмотрены для предотвращения детонации. |
![]() |
Контакторы до 32 А комплектуются одним встроенным замыкающим или размыкающим дополнительным контактом. |
![]() |
Насечки на присоединительных контактах снижают нагрев проводов благодаря надежной фиксации в местах присоединения и увеличению суммарной площади контакта. |
Технические характеристики
| Артикул | KKME41-080-230-11 | |
| Тип изделия | контактор | |
| Параметры главной цепи | ||
|---|---|---|
| Номинальное рабочее напряжение переменного тока Ue, В | 230; 400; 660 | |
| Номинальный рабочий ток Ie, категория применения АС-3 (Ue ≤400 В), А | 80 | |
| Условный тепловой ток Ith (t° ≤40 °C), категория применения АС-1, А | 125 | |
| Номинальная мощность по АС-3, кВт | 22 (230 В) / 37 (400 В) / 45 (660 В) | |
| Номинальное напряжение изоляции Ui, В | 660 | |
| Сопротивление изоляции, не менее, МОм | 10 | |
| Номинальное импульсное напряжение Uimp, кВ | 6 | |
| Максимальная кратковременная нагрузка (t ≤1 с.), А | 1440 | |
| Условный ток короткого замыкания Inc, А | 5000 | |
| Защита от сверхтоков - предохранитель gG, А | 100 | |
| Мощность рассеяния при Ie, Вт | АС-3 | 5,1 |
| АС-1 | 12,5 | |
| Степень защиты от пыли и влаги | IP20 (ГОСТ 14254) | |
| Климатическое исполнение и категория размещения | УХЛ4 (ГОСТ 15150) | |
| Срок службы, не менее, лет | 15 | |
| Параметры цепи управления | ||
| Номинальное напряжение катушки управления Uc, В | 230 | |
| Диапазон напряжения управления Uc, В | срабатывание | 0,8 - 1,1 |
| отпускание | 0,3 - 0,6 | |
| Мощность потребления катушки при Uc, В*А | срабатывание | 160 |
| удержание | 15 | |
| Время срабатывания, мс. | замыкание | 12 - 26 |
| размыкание | 4 - 19 | |
| Мощность рассеяния, Вт | 4 - 5 | |
| Механическая износостойкость, млн. циклов | 3 | |
| Коммутационная износостойкость, млн. циклов | АС-3 | 0,6 |
| АС-1 | 0,6 | |
| Параметры вспомогательной цепи | ||
| Номинальное напряжение Un, В | переменного тока | до 660 |
| постоянного тока | до 440 | |
| Количество и вид вспомогательных контактов | 1 нормально разомкнутый + 1 нормально замкнутый | |
| Номинальное напряжение изоляции Ui, В | 660 | |
| Ток термической стойкости (t° ≤40 °C) Ith, А | 10 | |
| Минимальная включающая способность | Umin, В | 17 |
| Imin, мА | 5 | |
| Защита от сверхтоков - предохранитель gG, А | 10 | |
| Максимальная кратковременная нагрузка (t ≤1 с.), А | 100 | |
| Сопротивление изоляции, МОм | 10 | |
| Тип подключения вспомогательных цепей | винтовое соединение | |
Условия эксплуатации
- Эксплуатация контакторов разрешается только с последовательно включенными устройствами защиты электрической цепи, такими, как плавкие предохранители и автоматические выключатели соответствующего номинального тока.
- Конструкцией изделия не предусмотрены какие-либо меры защиты от прямого прикосновения к токоведущим частям, находящимся под напряжением.
- Температура окружающей среды при эксплуатации: -25... +50 °С.
Относительная влажность воздуха до 50 % при +40 °С, допускается эксплуатация контакторов при относительной влажности воздуха до 90 % и температуре +20 °С. - Высота над уровнем моря: не более 2000 м.
- Рабочее положение: вертикальное с возможным отклонением по горизонтали ±30°.
- Воздействие вибрационной нагрузки с частотой до 100 Гц при ускорении до 1 g.
Подключение
Схема электрическая

Сечение подключаемых проводников
| Главные контакты | |
|---|---|
| Гибкий кабель без наконечника, кв.мм | 16 - 35 |
| Жесткий кабель без наконечника, кв.мм | 25 - 50 |
| Размеры винта | М10 |
| Вспомогательные контакты и контакты управления | |
| Гибкий кабель без наконечника, кв.мм | 1 - 4 |
| Жесткий кабель без наконечника, кв.мм | 1 - 4 |
| Размеры винта | М3.5 |
Преимущества
- Доставка по всей России
- Более 200 000 товаров в ассортименте
- Профессиональная консультация
- Кабель БЕЗ опасности
- Качество по ГОСТу
-
Зайдите на страницу товара и нажмите на кнопку «В корзину».
Далее можно продолжить покупки или перейти к оформлению заказа.
-
Перейдите в Корзину и нажмите «Перейти к оформлению».
Можно авторизоваться или оформить заказ без регистрации. Зарегистрированные пользователи могут:
- Отслеживать статус заказа
- Получать спецпредложения и промокоды на дополнительные скидки
- Укажите Ваши контакты: ФИО, телефон и e-mail.
- Выберите способ получения заказа (доставка или пункт самовывоза) и способ оплаты.
- Далее «Оформить заказ».
Готово: ваш заказ создан! По электронной почте или в личном кабинете Вы можете отслеживать статус заказа.
Теперь останется только ждать доставки и радоваться новой покупке!
Оплачивайте покупки удобным способом.
В нашем интернет-магазине доступно 3 варианта оплаты:
- Оплата наличными или картой при самовывозе в пункте выдачи заказов/магазине.
- Онлайн-оплата на сайте при оформлении заказа. Для совершения покупки система перенаправит вас на страницу платежного сервиса. Здесь необходимо заполнить форму по инструкции.
- Оплата по счету для юридических лиц. Оплата происходит после предоставления реквизитов для выставления счета. Покупатель получает счет на указанный e-mail.
Доступно 3 варианта доставки:
- Самовывоз из магазина. Список торговых точек для выбора появится в корзине. Для получения заказа обратитесь к сотруднику в кассовой зоне и назовите номер заказа.
- Доставка транспортной компанией СДЭК или Почтой РФ в отделение или постамат.
По всем возникающим вопросам можете позвонить нам на горячую линию:
Ежедневно с 8:00 до 20:00 по МСК
E-mail: help@kristall43.ru
Адрес: 610000, г. Киров, ул. Щорса, 68г, кабинет 3



